Відбійник капота Лачетті/Epica/Captiva гумковый боковий регульований GM 96251069
|
45 ₴
склад
|
- (A) селище Пісочин, вулиця Надії, 15А, офіс 1 , В наявності (>10 шт)
- Виробник
-
GM
(Корея)
- Каталоговий номер
- 96251069
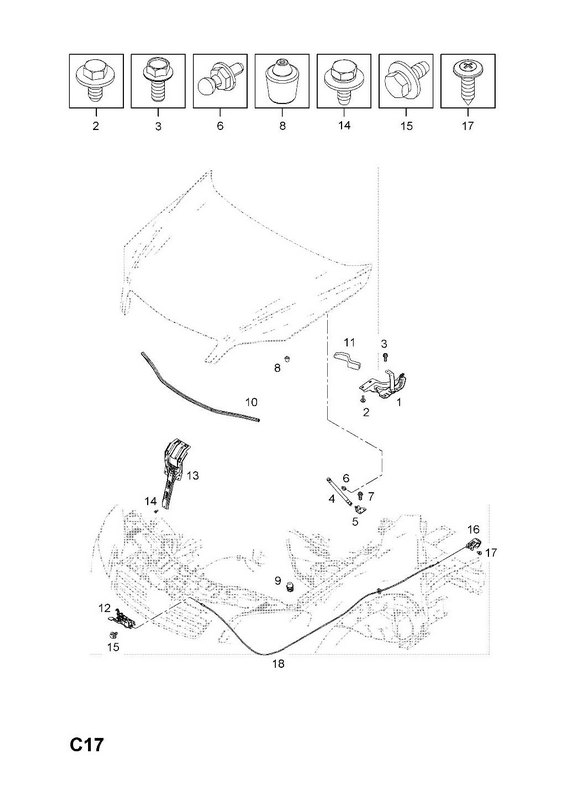
- Схеми
- дивитись →
Обмін або повернення протягом 14 днів.
Застосовність
- Товарна група:
- - Деталі кузова Капот
Застосовність за схемами
Показати ще схеми ↓
Оригінальні номери
OEM:
4803310
96251069
