Вентилятор отопителя 3302 /3110 с/о (без крыльч) (40Вт) LUZAR LFh 03194
|
480 ₴
склад
|
- (A) поселок Песочин, улица Надежды, 15А, офис 1 , В наличии (>10 шт)
- Производитель
-
LUZAR
(Китай)
- Каталожный номер
- LFh 03194
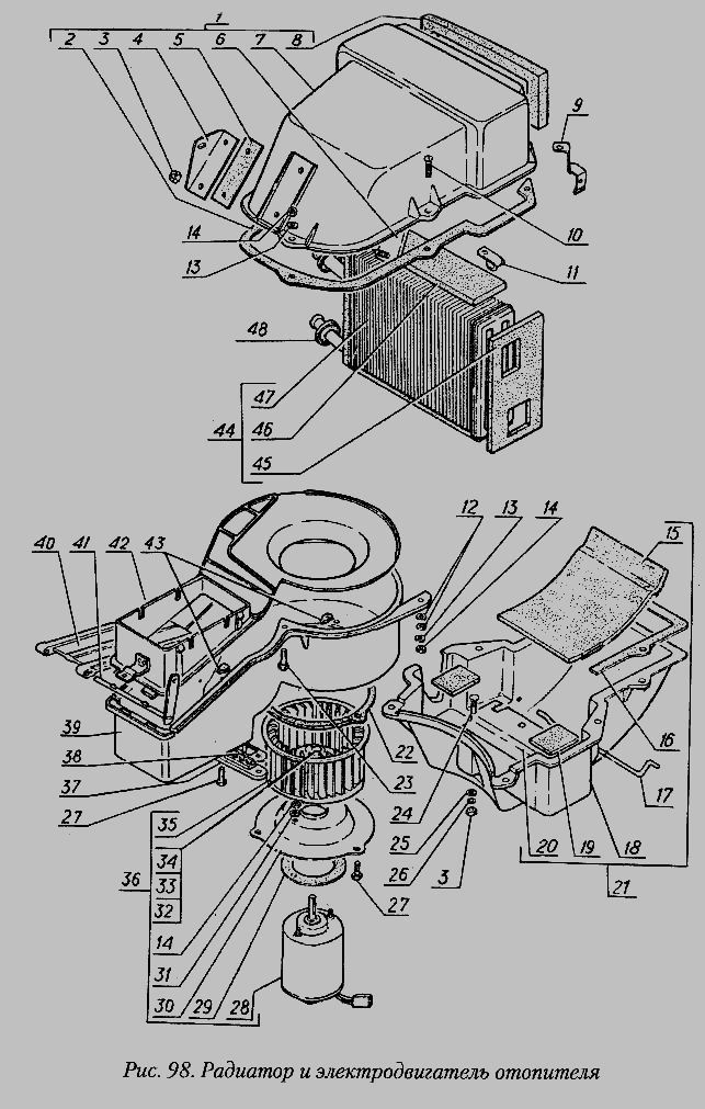
- Схемы
- смотреть →
- Вид коробки передач
- для коробки передач
- Оснащение / оборудование
- для автомобилей без кондиционера
Обмен или возврат в течение 14 дней
Применяемость
- Товарная группа:
- - Охлаждение и Отопление Вентилятор печки
Применяемость по схемам
Оригинальные номера
ГАЗ:
1943730
310298101178
