Интеркулер BMW X5 (E70, F15), X6 (E71, F16) (07-19) 3.0i, 3.0D OTO RADYATOR Kale '344810
|
6 185 ₴
склад
|
- (A) поселок Песочин, улица Надежды, 15А, офис 1 , В наличии (>10 шт)
- Производитель
- Kale
- Каталожный номер
- '344810
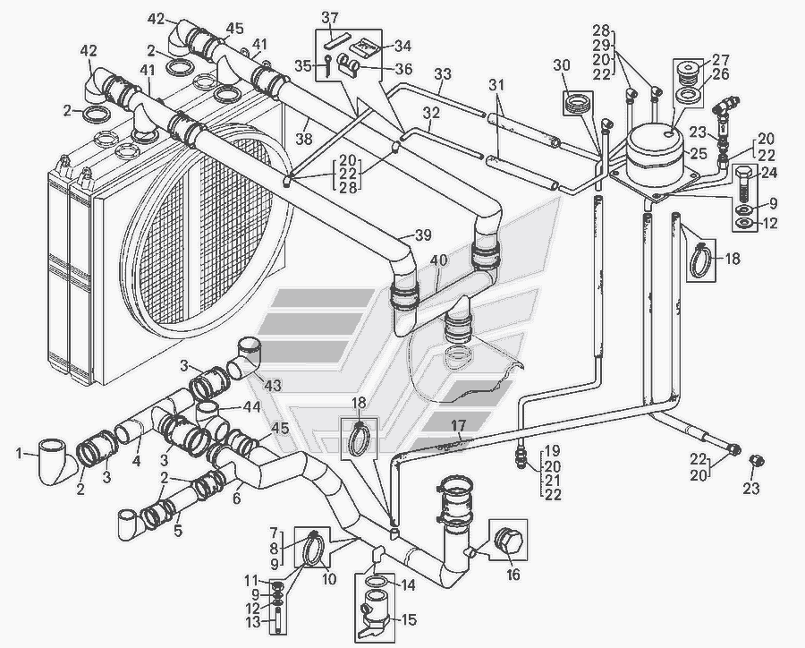
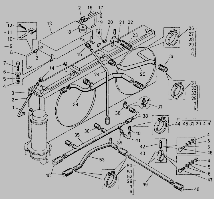
- Схемы
- смотреть →
Применяемость
- Товар подходит к маркам/моделям авто:
- - BMW: X5, X6
- Товарная группа:
- - Двигатель и Выхлоп Интеркулер
Применяемость по схемам
Каталог запчастей для автомобилей к которым применяется эта деталь
