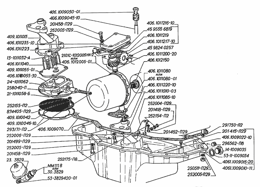
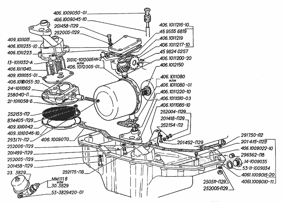
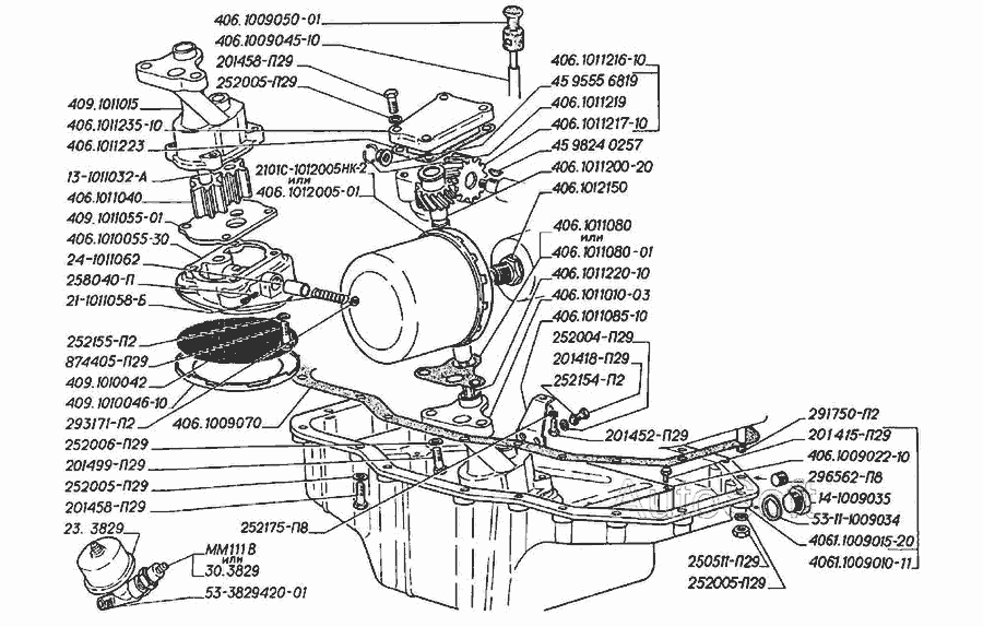
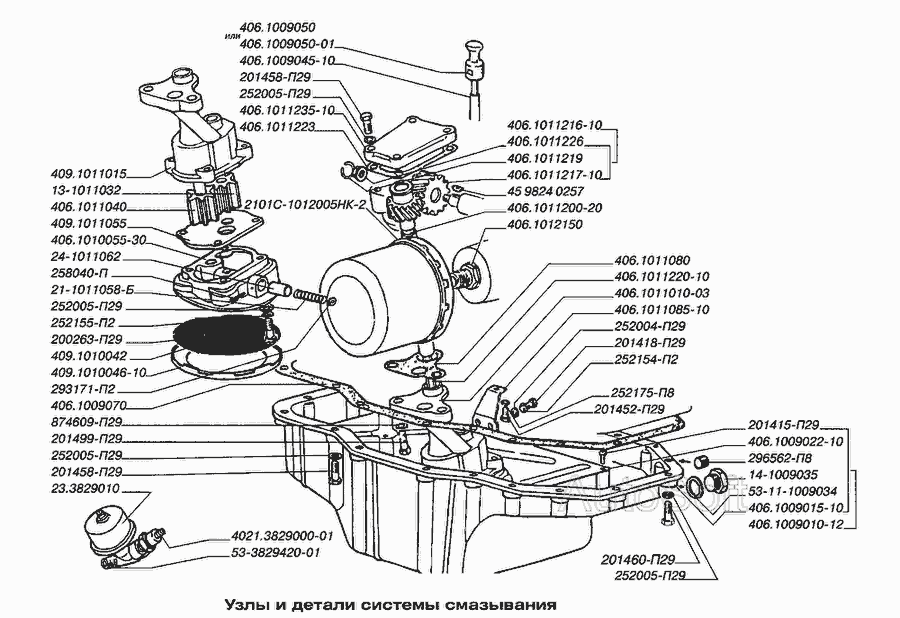
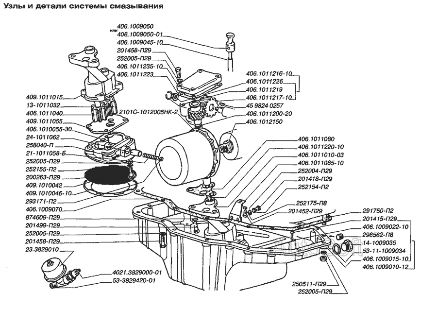
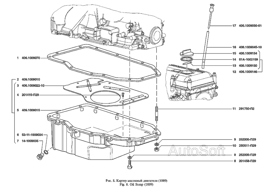
Прокладка поддона 3302 (406 дв) Луцк 406-1009070
Дана запчастина не підходить для вибраного автомобіля
потрібна перевірка за VIN-кодом, уточнюйте сумісність у наших фахівців
потрібна перевірка за VIN-кодом, уточнюйте сумісність у наших фахівців
|
40 ₴
склад
|
- (A) селище Пісочин, вулиця Надії, 15А, офіс 1 , В наявності (7 шт)
- Виробник
-
Луцк
(Україна)
- Каталоговий номер
- 406-1009070
- Схеми
- дивитись →
Обмін або повернення протягом 14 днів.
Застосовність
- Товар підходить до марок/моделей авто:
- - Gaz: Gazelle
- Товарна група:
- - Двигун і Система вихлопу Прокладка піддону
Застосовність за схемами
Показати ще схеми ↓
Каталог запчастин для автомобілів до яких застосовується ця деталь
