Шестерня росподілвала лів FIAT DOBLO II 1.3D, FIORINO 1.3D FIAT Fiat/Alfa/Lancia '55212082
|
5 360 ₴
склад
|
- (A) селище Пісочин, вулиця Надії, 15А, офіс 1 , В наявності (1 шт)
- Виробник
- Fiat/Alfa/Lancia
- Каталоговий номер
- '55212082
- Схеми
- дивитись →
Застосовність
- Товарна група:
- - Двигун і Система вихлопу Шестерня розподільного валу
Застосовність за схемами
|
19 РОЗПОДІВ І КАРТЕР
|
|
|
|
11 РОЗПОДІВ І КАРТЕР
|
|
|
|
57 РОЗПОДІВ І КАРТЕР
|
|
|
|
20 РОЗПОДІВ І КАРТЕР
|
|
|
|
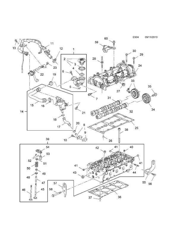
(RJ00-037) 2012-2013 JG,JH,JJ48-69 ДВИГУН У ЗБОРІ - ДИЗЕЛЬ ЧАСТИНА 2 БЛОК ЦИЛІНДРІВ І ВНУТРІШНІ ДЕТАЛІ (LSF/1.3R,LDV/1.3G)
J ДВИГ. СБ. - ДИЗЕЛЬ PART 2 ГОЛОВКА ЦИЛІНДРІВ І СПОРУЖЕНІ ДЕТАЛІ (LSF/1.3 ,LDV/1.3 ) RJ00-037 |
|
