Насос масляний 2101-07 SSD '2101001OP
Данная запчасть не подходит для выбранного автомобиля
требуется проверка по VIN коду, уточняйте совместимость у наших специалистов
требуется проверка по VIN коду, уточняйте совместимость у наших специалистов
|
920 ₴
склад
|
- (A) поселок Песочин, улица Надежды, 15А, офис 1 , В наличии (>10 шт)
- Производитель
-
SSD
(Китай)
- Каталожный номер
- '2101001OP
- Схемы
- смотреть →
Применяемость
- Товар подходит к маркам/моделям авто:
- - ВАЗ: 2101-2107
- Товарная группа:
- - Двигатель и Выхлоп Масляный насос
Применяемость по схемам
|
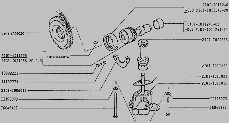
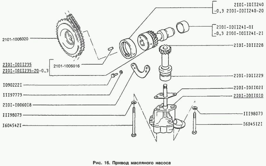
Привод масляного насоса » Двигатель УЗАМ 331
|
|
|
|
Привод масляного насоса » Двигатель
|
|
|
|
Привод масляного насоса » Двигатель УЗАМ 331
|
|
|
|
Система смазки » Двигатель
|
|
|
|
Смазочная система » Двигатель
|
|
|
|
Система смазки » Двигатель
|
|
|
|
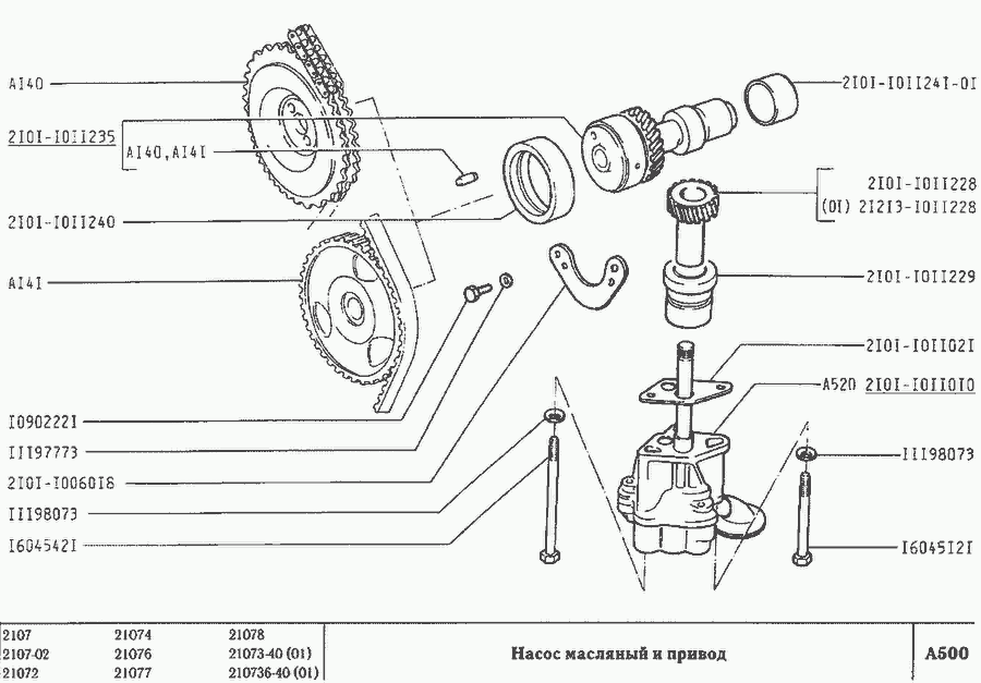
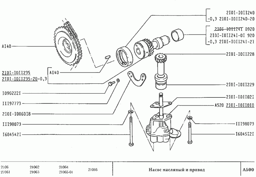
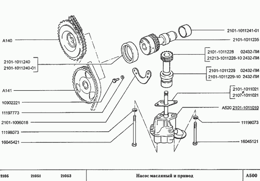
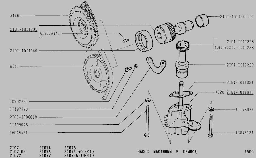
Насос масляный и привод » Двигатель
|
|
Показать еще схемы ↓
Оригинальные номера
OEM:
21011011010
Каталог запчастей для автомобилей к которым применяется эта деталь
